找回密碼
 註冊

整理一台 hornet 250 小黃蜂 PART I

来源: 心得 ncr 2019-11-25 17:06 只看這個作者 只看大圖 |閱讀模式
70 31925
這不是紅黃牌,可是我覺得它很重,放到重機板可以嗎?


前言是,老婆說要買一台cb400給我圓夢,
車子喜歡歸喜歡,總是要考慮現實面。
現實面是對於台灣用車環境的不友善,
寧願一年花一次大錢去日本租個CB400跑2-3天,也不想買一台車推出去洗一洗又推回來。

然後有一天我老婆生氣了,一本存摺丟在我面前,你去給我買一台車回來,我不要再跟你擠同一台小車了。
小M歸她管就是了。(msx)
著手找車看車,目標是白牌4缸,
這目標也太明確了,只有一台就這樣。

為什麼不上黃紅牌可以上高速公路,如果10年後才開放我就10年後再買就好了啊!
幹嘛多繳10年的稅金!!!

第一台去某車行看過車之後已讀不回,不讀不回,透過朋友才知道早就收訂。
收定不講還開價格讓我們看車不知為什麼?

有些人連絡了沒下文,不清楚要不要賣,也有些車行車況不怎樣也是開到16

這台紅的也是16但是里程數卻是看過的那幾台最高的。
試車是請車主從我面前放手騎過去

車主開個漂亮價格就. 不好意思不買.....................
就買了的....................

(明明就很哈)

整理一台 hornet 250 小黃蜂 PART I9150


還附帶了一些贈品備料,化油器喇叭嘴後貨架之類的

買車目標 -車只要車台引擎正常就其它都簡單。

高雄監理站過戶
白牌過戶比較簡單吧!
遠看很漂亮
整理一台 hornet 250 小黃蜂 PART I986

後來發現白牌還有一個好處是驗車
紅黃牌10年以上要監理站一年2 驗。
250路邊隨便找一家機車行就可以驗了。



外觀是前-前車主改色,銀色改紅,有好幾個部分改黑色。
烤漆做的不是很好,有部分掉漆了。
而且烤漆用遮的,不是全烤
但是這篇裡不會看到送烤漆這件事..............
整理一台 hornet 250 小黃蜂 PART I8043



儀表下蓋,考慮換新不整理,照後鏡也一樣
整理一台 hornet 250 小黃蜂 PART I692

整理一台 hornet 250 小黃蜂 PART I9533



照張相紀錄儀表線色,要剪線
原因是
整理一台 hornet 250 小黃蜂 PART I3119


拆儀表時,
儀表怪怪的,找不到插頭,剖開線皮

車行用接的

整理一台 hornet 250 小黃蜂 PART I9824

剪掉比較快,後面再來處理

整理一台 hornet 250 小黃蜂 PART I2022

整理一台 hornet 250 小黃蜂 PART I5421




整理前叉異音
交車時前輪有摳摳聲,我猜就珠碗跟前叉
拆就對了,這麼舊的車不拆對不起自己

前車主有附珠碗備料,就順便換。用想的很簡單
整理一台 hornet 250 小黃蜂 PART I4289
整理一台 hornet 250 小黃蜂 PART I3470


套筒才套上大螺帽就可以轉,難道異音從這邊來
大螺帽沒上緊,是鬆動的。手轉下來先看看
整理一台 hornet 250 小黃蜂 PART I455




不小心就拆成這樣了

整理一台 hornet 250 小黃蜂 PART I2099


這隻工具20年前買的
在honda買的調鏈工具(nc30)

整理一台 hornet 250 小黃蜂 PART I6882
只做上緊雙螺帽動作好像白拆的感覺

反正有備料,全拆............

但是拆開後還是一樣白拆----
前前車主已經改成滾針的,那原廠料料件不知道怎麼辦?

整理一台 hornet 250 小黃蜂 PART I2301


清乾淨重新上skf黃油,心理作用SKF比較會跑
雙螺帽上至標準扭力。
滾針軸承耐壓程度比較高,隨便鎖都好
整理一台 hornet 250 小黃蜂 PART I9282


你當我真的隨便鎖阿................
腳踏車要求的精度比這個高多了(腳踏車組這麼多年了,精度要求更高)


整理一台 hornet 250 小黃蜂 PART I8844

儀表整理線等接頭
整理一台 hornet 250 小黃蜂 PART I8530



前輪既然拆了,拆了就洗乾淨
整理一台 hornet 250 小黃蜂 PART I5722

洗乾淨就裝回去有點可惜,順便換SKF軸承
心理作用
整理一台 hornet 250 小黃蜂 PART I8479

自製的壓培林工具
整理一台 hornet 250 小黃蜂 PART I1063

前叉下來就順便換個前叉油,
油漏掉又有問題,兩邊不同高

光這個順便,
又搞了3天,沒有圖,自行去腦補
整理一台 hornet 250 小黃蜂 PART I8424





引擎下方排氣管鎖點位置也很奇怪

整理一台 hornet 250 小黃蜂 PART I2100

(後來聽說這支前段是大陸的)





為了重刁角度,連前段也下來。
前段拆下後發現積碳嚴重,考慮要不要清,清了又大工程

頭段裝了很多次找不到好位置

整理一台 hornet 250 小黃蜂 PART I1655

整理一台 hornet 250 小黃蜂 PART I4396

改天想到再來清一次積碳,順便洗引擎外觀
這個水管看起來會怕


排氣管另外用個轉接座來固定 ,
裝了很多次之後這樣位置才是正確的
整理一台 hornet 250 小黃蜂 PART I7696
這個位置尾段也很順利的上了

這轉接是叫做  V夾轉接座 ,還真萬用
整理一台 hornet 250 小黃蜂 PART I5135

買的大燈到了,寄錯東西,我定霧面的
整理一台 hornet 250 小黃蜂 PART I1042

買的大燈架規格也不符,
整理一台 hornet 250 小黃蜂 PART I3628
這是新買的.不要懷疑

整理一台 hornet 250 小黃蜂 PART I3815

寬度不對
整理一台 hornet 250 小黃蜂 PART I8268

整理一台 hornet 250 小黃蜂 PART I8971

買的方向燈也是錯

後來流用到小M上了
整理一台 hornet 250 小黃蜂 PART I314

整理一台 hornet 250 小黃蜂 PART I6897

異想天開的
還買了一套全車鎖
鎖頭雖然可以用,但是整套都是錯的
鎖頭是3線,原車是4線(可以改但不想)
整套含安全帽勾,座墊,油箱蓋,3隻漂亮鑰匙

只有安全帽勾鎖可以用
整理一台 hornet 250 小黃蜂 PART I6900





整理一台 hornet 250 小黃蜂 PART I8344
儀表板的線做了一個防水接頭,10線
缺點是要偷儀表就很方便........
2顆螺絲,插頭一拔.................

整理一台 hornet 250 小黃蜂 PART I758



其實有覺得這個接頭太大,後來有加買一個小的接頭重做接頭


大燈寄錯了就用舊的
後面發現大燈好像日規的
照出去左邊比較高
廢話,日本車當然日規阿
整理一台 hornet 250 小黃蜂 PART I7565

這可以看出來燈不是平的
整理一台 hornet 250 小黃蜂 PART I7072



方向燈錯了,鑽洞在燈架上硬上
喇叭架自行做一個上雙聲道

整理一台 hornet 250 小黃蜂 PART I8967







這是缸頭2次進氣的部份,很髒

整理一台 hornet 250 小黃蜂 PART I4648

整理一台 hornet 250 小黃蜂 PART I1038
積碳去除劑泡了2-3天,忘了照,反正清了很乾淨也是心理作用
也懶得拆下來補照



前煞把手支柱螺絲生鏽
找不到好看的
車了一支銅管攻牙 上內六角白鐵
整理一台 hornet 250 小黃蜂 PART I3528

整理一台 hornet 250 小黃蜂 PART I6130

煞車把手還沒買到喜歡的樣式,先用原廠



煞車油根本不能看。但是又懶得拆卡鉗
换油换了好幾次
整理一台 hornet 250 小黃蜂 PART I2916
如果把換成乾淨的油這些時間拿去拆卡鉗,
早把卡鉗拆完了
至少花了一星期(你片校)








其實是第一次買管子長度不夠,又再買了第2次油管
漏出來的剎車油顏色
整理一台 hornet 250 小黃蜂 PART I9238

整理一台 hornet 250 小黃蜂 PART I5356


白鐵螺絲盡量找一樣形式的上這張圖時發現這個儀表是買錯的,下面另補圖
整理一台 hornet 250 小黃蜂 PART I1826


備註:
跟鋁合金的部分盡量不要用白鐵螺絲
會咬死

像這樣
整理一台 hornet 250 小黃蜂 PART I7859




分隔線-------------------------------------------------------------------

這邊講回初衷----------------------
其實最原始我只是想『加高手把』順便加個『大燈開關』,
只是哦...........
只是最怕但是
整理一台 hornet 250 小黃蜂 PART I3471

但比想像中困難很多
更換後的照片(因為找不到更換前的照片)

這開關手感很好(CB190X)

整理一台 hornet 250 小黃蜂 PART I4244
整理一台 hornet 250 小黃蜂 PART I403

整理一台 hornet 250 小黃蜂 PART I9951

註記: 因手把加高,上面那組開關油門線是往上走,
轉彎油門線會緊緊的,
騎了一陣子之後又找了一顆下方油門線的開關換掉(圖在下方)
另一原因也是線太短



用文字簡單帶過----------------
換手把要下油門,油門線太緊拿不下來-----------,要拆節流閥,
要拆節流閥前要先下化油器,下化油器之前要先下空氣濾總成
下空氣濾總成要拆電池跟油箱

還有還有  這個安全帽鎖扣卡住空濾,也是費了千辛萬苦先拿下鎖扣
鎖扣是卯死在車上的
整理一台 hornet 250 小黃蜂 PART I9318



下了化油器分開不開,油門線在3跟4化油器中間
長軸心卡死,泡了WD40弄了兩天才下來。
拆爛這個東西
整理一台 hornet 250 小黃蜂 PART I7516




拆爛只好重新車製一個
整理一台 hornet 250 小黃蜂 PART I1704
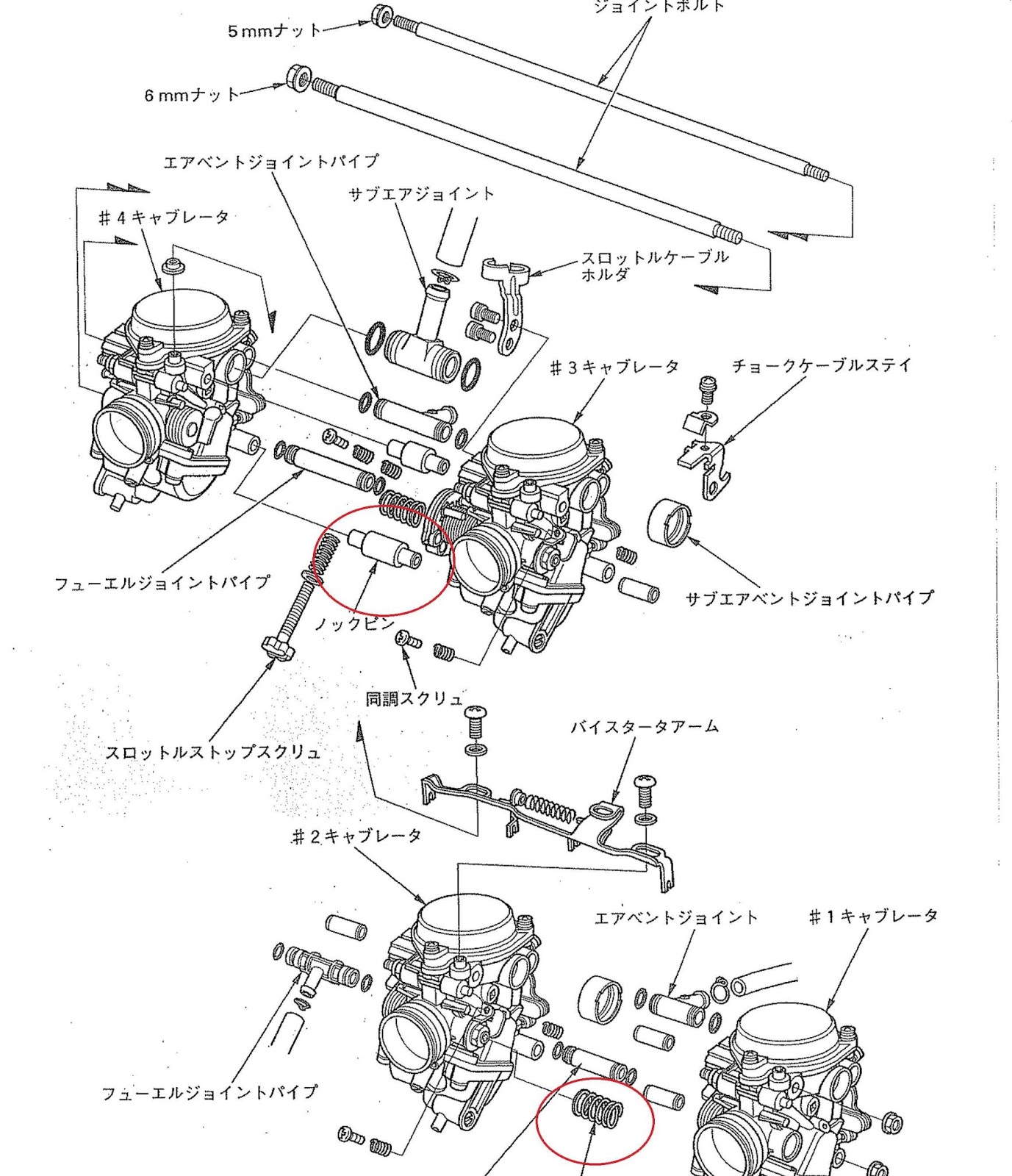
組回去又一個1-2缸之間的彈簧組不回去
彈出去不知道幾次,

下面紅圈彈簧則是根本不知道去哪了

組回去了,slow又亂飄
又買了一組4缸平衡(安慰自己以後一定用的到)
整理一台 hornet 250 小黃蜂 PART I8937
就这样.............文字輕鬆帶過
輕鬆之間,順便換了水管
鏽到不行
整理一台 hornet 250 小黃蜂 PART I5333

拆了水管又洗了10次水箱.
用福斯水箱精去咬銹
整理一台 hornet 250 小黃蜂 PART I7734
也發現裡面沒水龜
整理一台 hornet 250 小黃蜂 PART I5068




老車就這樣,外面看不出來,
都是要拆了才知道

沒想到   換手把=整理化油器


以為都好了,還發生了一件事

車發不動了,太悲慘
問了專修蜂的高手之後

他說你是不是只有發動沒騎?
想想好像是這樣,因為油箱上上下下,
組化油器,測水箱...............

就火星塞壞了
.............................

換一組果然就好了

到這邊 換手把結束,中間順便了很多事情

所以沒事買增高座就好,盡量不要換把手
工錢沒1-2千跑不掉


右手開關是對照線路圖,完全看不懂之後,
一條一條換線退pin重插重做接頭
好好的接回去
圖是拿別台舉例,
整理一台 hornet 250 小黃蜂 PART I4249

hornet的插頭是長這樣
整理一台 hornet 250 小黃蜂 PART I9322
整理一台 hornet 250 小黃蜂 PART I7079




分隔線--------------------------------------------------------












大燈接頭一樣是退pin換新頭,改天再去驗LED
整理一台 hornet 250 小黃蜂 PART I8929



這是原車後車殼的部份。
我覺得方向燈線走錯位置
整理一台 hornet 250 小黃蜂 PART I5875

整理一台 hornet 250 小黃蜂 PART I539
雖然是小地方
翻出適當的扣子裝回去
整理一台 hornet 250 小黃蜂 PART I3358
方向燈走回正常的地方
整理一台 hornet 250 小黃蜂 PART I7250
紅線是舊的走法
整理一台 hornet 250 小黃蜂 PART I7416
密合度回來了
整理一台 hornet 250 小黃蜂 PART I273

找原形狀的白鐵螺絲,一般店家買到的白鐵都是內6角大頭
圖中這種丸頭不好找
整理一台 hornet 250 小黃蜂 PART I5357

整理一台 hornet 250 小黃蜂 PART I1368

裡面不找原廠件了,直接用這個塞進就好。
不知道這叫甚麼
含螺牙的彈片?M6

整理一台 hornet 250 小黃蜂 PART I2012


老車就這樣,小細節看你要做到甚麼樣的程度
相對就是時間跟金錢。




某天某安全帽王董說特價2顆蛋,小蛋1000,大蛋1200

基本上大蛋便宜可裝2頂全罩,
前車主也送了後貨架給我
整理一台 hornet 250 小黃蜂 PART I6321


這台車到處有這個字樣,看起來像沒牌車的年代
整理一台 hornet 250 小黃蜂 PART I6472



這是換乾淨後騎了一個月又這麼髒,
難怪手感很軟,油管都換2 次了
早說要清卡鉗吧!

整理一台 hornet 250 小黃蜂 PART I9977

好,就拆吧!
整理一台 hornet 250 小黃蜂 PART I6257


拆了之後順便問一個問題,這種卡鉗,進油跟漏油都在上方,換油等於卡鉗裡面都沒換到阿
整理一台 hornet 250 小黃蜂 PART I4248


拆開後跟想的一樣,裡面的油都黑的


拆壞一顆活塞,就順便油封一起叫料換掉
活塞27+30。27很少見,臨時買的規格不是很合
總泵也順便換了,原車總泵活塞11MM,換成12.7
爬文才知道DIO也用11MM
有人是建議買CB400那顆卡鉗直上,上右卡,左卡賣掉


整理一台 hornet 250 小黃蜂 PART I966

待料時間,丟去水裡大洗一下
整理一台 hornet 250 小黃蜂 PART I5680

看起來就噌
整理一台 hornet 250 小黃蜂 PART I9336

整理好有硬起來了,感覺硬一點真的比較好用

這種透明度才是煞車油更換過的感覺
整理一台 hornet 250 小黃蜂 PART I9909







避震本來沒要換,但是這價格還蠻便宜的
整理一台 hornet 250 小黃蜂 PART I4588
而且廠商推坑說,這最後一支,以後不產了。
只好換
整理一台 hornet 250 小黃蜂 PART I9088
用白鐵片折出一個氣瓶固定架
整理一台 hornet 250 小黃蜂 PART I1757
人的心態很奇怪,這價格是速克達嫌貴的要死
用在重車上卻便宜的很

汽車那麼大支一整車改裝的4隻也才2萬不用

說專用的還不是要修車台,
整理一台 hornet 250 小黃蜂 PART I6437

換後避震順便 後輪輕量化

整理一台 hornet 250 小黃蜂 PART I2354



整理一台 hornet 250 小黃蜂 PART I1093



拆下來就洗乾淨一點,你看齒盤洗的跟新的 一樣
整理一台 hornet 250 小黃蜂 PART I6651整理一台 hornet 250 小黃蜂 PART I118

也只有拆後輪才會洗到這邊
整理一台 hornet 250 小黃蜂 PART I4658

軸承也順便SKF,圖是原車
整理一台 hornet 250 小黃蜂 PART I8386




騙你的,原車45換43T。
整理一台 hornet 250 小黃蜂 PART I2067整理一台 hornet 250 小黃蜂 PART I9836
2個輕量化減了4百多克。

然後,換上新的後輪一顆卻要6.3KG。減的都回去了
整理一台 hornet 250 小黃蜂 PART I1773

整理一台 hornet 250 小黃蜂 PART I780





--------------------------------------------
後記是
對於上次看到的鏽水管念念不忘
又叫料把鏽蝕水管換新
左鐵水管
整理一台 hornet 250 小黃蜂 PART I6210
更換後
整理一台 hornet 250 小黃蜂 PART I3491


前方段,不看都沒事
看到不換睡不著
整理一台 hornet 250 小黃蜂 PART I5428整理一台 hornet 250 小黃蜂 PART I8379

水幫浦看起來還好,刷一刷組回去
整理一台 hornet 250 小黃蜂 PART I6856
引擎裡面的鏽我就不知道怎麼辦了

整理一台 hornet 250 小黃蜂 PART I2204

整理一台 hornet 250 小黃蜂 PART I4886整理一台 hornet 250 小黃蜂 PART I7420


水龜座刷不掉鐵鏽,可樂不知道有沒有效?
整理一台 hornet 250 小黃蜂 PART I5743

右水管看起來還好,但這次拆了才發現金玉其外

整理一台 hornet 250 小黃蜂 PART I6446
內側就噌

整理一台 hornet 250 小黃蜂 PART I7620
這次裝回去會漏水了,一個會漏就上2 個束環吧!

整理一台 hornet 250 小黃蜂 PART I4184


都下來了順便換一下高壓導線,
是後來翻手冊才知道是可以拆的
整理一台 hornet 250 小黃蜂 PART I6590

暗黑版導線跟火星塞接地一起上了,效果很不錯
火星塞接地真是一個好東西,價格那麼便宜,效果令人意外

低轉不會再無力無力了
整理一台 hornet 250 小黃蜂 PART I8512




追加換過的大燈開關
這次找的油門線在下方,而且開關線長也長多了
手感不好
整理一台 hornet 250 小黃蜂 PART I6916



手把多鑽幾個洞輕量化
整理一台 hornet 250 小黃蜂 PART I3854
不是,上個開關跟這開關定位孔不同
定位孔要鑽4.8MM的洞 ,開關才不晃。
鑽5MM會搖晃




整理一台 hornet 250 小黃蜂 PART I2053
這個離合器護套還蠻推薦的,裝之前跟之後,光心理感受就完全不同
整理一台 hornet 250 小黃蜂 PART I5923

順便換了打檔魚眼
整理一台 hornet 250 小黃蜂 PART I7147
這個也搞很久
螺絲特地全找白鐵半圓頭
整理一台 hornet 250 小黃蜂 PART I4393
腳感很棒,鉤檔更省力

後避震降個3公分
整理一台 hornet 250 小黃蜂 PART I7780整理一台 hornet 250 小黃蜂 PART I9329


翻到一張照片,原來2005年去看車展的時候有跨到這台車
整理一台 hornet 250 小黃蜂 PART I2759

日本Y拍買的零件到了,下集待續
整理一台 hornet 250 小黃蜂 PART I3643

第2 集 https://forum.jorsindo.com/thread-2552645-1-1.html一年寫一集算正常
整理一台 hornet 250 小黃蜂 PART I8724


本文最後由 ncr 於 2020-6-20 16:57 編輯

給個讚

讚: 5.0
讚: 5
  發表於 2019-11-30 01:53
讚: 5
  發表於 2019-11-29 11:07
讚: 5
  發表於 2019-11-28 20:13
讚: 5
  發表於 2019-11-28 20:13
讚: 5
  發表於 2019-11-28 20:10
參與人數 31紅利點數 +156 收起 理由
nickzhuang + 5 感謝分享
keivn15 + 5
撕痕 + 5
dc918sp2 + 5 不加分不行
karllover + 5 不加分不行

瀏覽全部評分總評分 :  紅利點數 +156

收藏
收藏5
老外『哩摸台灣人騎車都西歡蛇行』

台灣人『OH NO ,他們只師騎平的路而以』

網友回覆78

跳到指定樓層
真的很有愛,目標還有ZX25R,哈哈~
3#
MINK 2019-11-25 21:48 只看這個作者
小黃蜂耶!!!!
引擎裡的銹
用新的水箱水去咬應該還行
只是要勤換
改車不變定律:
從最接近地面的先改
4#
cloud. 2019-11-26 00:00 只看這個作者
太厲害了,一樣一樣整理.
5#
c45665456 2019-11-26 00:13 只看這個作者
感謝分享
DIY就是強
6#
Wind0322 2019-11-26 00:24 只看這個作者
感謝分享~~~整理一台 hornet 250 小黃蜂 PART I3979
高手高手高高手~

老車整理一坑還有一坑深 深不見底真恐怖  怕.jpg

樓主太猛了
8#
GAO996 2019-11-26 04:06 只看這個作者
小黃蜂現在不知還剩幾隻,一個月都難得遇一次
狗若低頭,必有緣由;不是吃屎,就是吃肉。
這台車車況也太差了吧~
10#
biung8 2019-11-26 07:30 只看這個作者
DIY好厲害啊!期待下一集~
別用真感情,否則會流著眼淚離開。